
系統概述:
隨著經濟的發展,作為國家基礎能源的煤礦建設進入了大型化、集約化.自動化的新階段。根據《煤礦安全規程》為礦區生命財產的安全針對典型礦區特殊的、復雜的地質條件和生產環境或有突水淹井危險的礦井應當建設規模相配套的與其他正常排水系統相比具有獨立的智能化、集成化的強排水系統。
礦井透水事故是危害較大影響面廣、周期長、難以施救的災難性事故。煤礦、鐵礦有色金屬礦.非金屬礦都是發生透水事故的高發區。國家安監及煤炭部門重視礦山水災的防治,在多年對礦井水災的斗爭中,總結并改變防災治水和救災的策略。把以搶險救災事后處理策略改變為以事先預防治理、疏干排水為主的策略對水災的防治能力 增加水災情況下人員逃生的機會體現了以人為本的理念。做到防治結合 以預防為主.即使在發生透水事故時也有時間撤退人員挽救關鍵設備。同時要求要積極推廣井下泵房無人值守和遠程監控、集控的排水系統。
強排水系統排水可將事后救災轉變為事先預防該排水系統運行在非事故狀態將事故發生節點前移人身生命財產的安全。實踐證明 該系統在已經出現的多次大 重大水害事故的搶救工作中發揮了關鍵性的重要作用,達到了預期的目的,收到好的效果
設計依據:
①《煤礦防治水規定》
②<煤礦安全規程>和<煤礦設計規范》
③《爆炸性環境》GB 3836—2010
④《煤礦安全監控系統通用技術條件》MT/T 1004—2006
⑤《煤礦排水監控系統通用技術條件》MT/T 11 28—2011
⑥《煤礦通信、檢測.控制用電工電子產品通用技術要求》MT 209—90
系統設計原則:
1 實現在出現險情時排水需求.有時間撤退人員挽救關鍵設備。能在地面啟動水泵,監控水泵的狀態。具有供電系統,與其他設備不干涉。
2 通過光纜進行傳輸實現水倉的自動化排水監測及報警。備水倉實現實行自動控制及運行參數自動檢測遠程控制動態就地顯示并將數據信息傳送到地面生產調度和生產設備控制,進行實時監測監控及報警顯示故障歷史查詢和報表打印。
3 系統通過檢測電機電流、電機電壓等參數.水泵工作狀態,直觀、形象 實時地反映系統工作狀態并能進行控制。
4 實現水倉水位、水泵溫度、排水管流量等參數接口接入及電動閘閥的控制接口輸出。根據具體需要安
裝的裝置及器件
1排水監控分站:井下千兆網線環網建立.數據傳輸的中轉站排水點的之間控制.分站之間采用光纖通信:
2強排泵:排水量的需求;
3水位傳感器檢測水倉水位高度:
4溫度傳感器,檢測泵體溫度,軸承溫度;
5流量傳感器.檢測管路水流量;
6、電動閘閥及閘閥控制箱,在潛水情況下運行。
7防爆攝像儀,用于實時監視泵房時間狀態
各排水點系統的建立及上位機系統軟件:
(1) 上位機系統軟件:
a、在統一提供的控制軟件平臺(平臺選用主流組態軟件wincc)上進行軟件的開發:系統使用工業以太網和工業現場總線傳輸技術采用光纜.電纜傳輸介質;光纖數據接口可以組成樹形網絡環型網絡或混合網絡結構.配置靈活施工方便性能。
b在標準畫面和用戶組態畫面上設定、匯集和顯示有關的運行信息供運行人員對設備的運行工況進行監視和控制;用軟件采用組態軟件模塊化設計:
c軟件具有中文界面;
d、機界面應運用開放系統的 圖形窗口友好的操作人員界面;
e應用軟件具有安全登錄和密碼保護功能。
f軟件具有冗余功能.可雙機熱備提高系統安全性。
g、可擴展性好可以增減排水點的監控。
h、具有數據記錄功能可以查詢歷史數據。
i具有web發布功能.可以查看.授權操作、修改設定值。
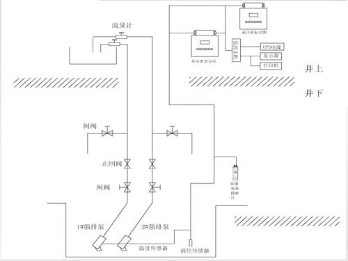
(2)系統組成示意圖:
系統由上位機、排水監控分站強排泵.流量計高壓軟啟動器防爆攝像儀、傳感器等組成。
| 上一條:礦井各排水點(潛水泵或離心泵)集中監控系統 | 下一條:無源式FZK20礦用風泵自動排水控制器 |
" >



